侧装式偏心半球阀
技术参数
产品型号:PQ340F/Y/H
公称通径:DN100~2000mm
公称压力:PN1.0~6.4MPa
适用温度:-29℃~425℃
适用介质:煤粉、煤灰、含尘、气体
销售热线:
产品详情
产品结构特征
1、更合理的结构设计:
采用偏心契紧原理通过传动机构达到闸紧、调节、关闭的目的,密封副是金属面环带硬面接触密封,双偏心结构在开启时阀芯位于藏球室内,流通截面大,水头损失为零,可节约大量资源,且阀门不被冲刷,关闭时阀芯不被冲刷,开启时阀芯球面沿阀座渐进,有效地切除结垢障碍,实现可靠密封,它对两相混流易结垢固体析出的混流输送特别有效。
2、更低的压力损失:
全开时水损为零,流道完全通畅;内腔自动清洗,阀芯90度旋转,自动冲洗阀体内腔,将介质中的杂物清洗干净并且介质不会沉积在阀腔内。球体为半球形,流通具有较高的Cv值,增强了泵的系统效率,并使磨蚀降为较低程度。
3、更优质的密封保障:
利用偏心的原理,在正压时,球体与阀座越关越紧,从而得到良好的密封;反压时,浮动式阀座在受压作用下,阀座自动向球体推紧,压力越高,阀座向球体越堆越紧,从而得到良好的自动密封功能。
4、更长久的使用寿命:
球阀在开启后,球冠偏置于阀体内,不被介质直接冲刷。密封副的阀芯留有补偿量,当阀座磨损(阀座硬度低于阀芯)后,关闭时再转动少许,仍能可靠密封,延长使用寿命。
5、更轻松的维护:
具备自动清污功能。自清洁功能。当球体倾离阀座时,管线中的流体沿球体密封面成360°均匀通过,不仅消除了高速流体对阀座局部的冲刷,也冲走了密封面上的聚积物。硬密封偏心半球阀的球冠边沿采用刀刃状,不但可以刮去阀座上的污垢,还可以切断杂物,达到自清洁的目的。
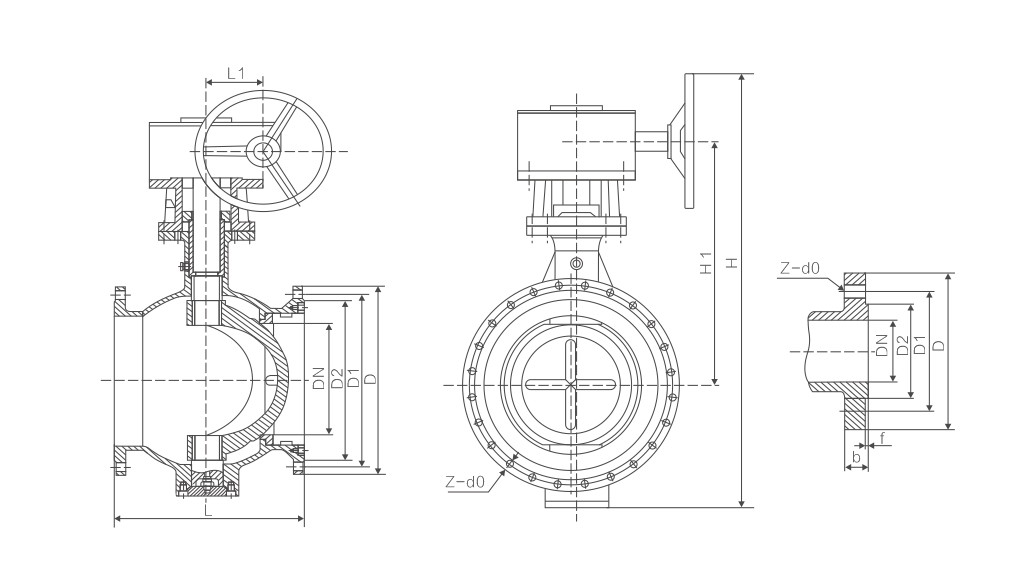
主要外形和连接尺寸 PN10
|
DN |
L |
D |
D1 |
D2 |
Z -d0 |
f |
b |
H |
|
40 |
165 |
150 |
110 |
84 |
4-18 |
2 |
18 |
210 |
|
50 |
178 |
160 |
125 |
99 |
4-18 |
2 |
20 |
230 |
|
65 |
190 |
180 |
145 |
118 |
4-18 |
2 |
20 |
245 |
|
80 |
203 |
195 |
160 |
132 |
8-18 |
2 |
20 |
265 |
|
100 |
229 |
215 |
180 |
156 |
8-18 |
2 |
22 |
310 |
|
125 |
254 |
245 |
210 |
184 |
8-18 |
2 |
22 |
350 |
|
150 |
267 |
280 |
240 |
211 |
8-22 |
2 |
24 |
395 |
|
200 |
292 |
335 |
295 |
266 |
8-22 |
2 |
24 |
435 |
|
250 |
330 |
390 |
350 |
319 |
12-22 |
2 |
26 |
480 |
|
300 |
356 |
440 |
400 |
370 |
12-22 |
2 |
26 |
550 |
|
350 |
400 |
500 |
460 |
429 |
16-22 |
2 |
26 |
620 |
|
400 |
405 |
565 |
515 |
480 |
16-26 |
2 |
26 |
670 |
|
450 |
480 |
615 |
565 |
530 |
20-26 |
2 |
28 |
700 |
|
500 |
533 |
670 |
620 |
582 |
20-26 |
2 |
28 |
760 |
|
600 |
680 |
780 |
725 |
682 |
20-30 |
2 |
34 |
850 |
|
700 |
740 |
895 |
840 |
794 |
24-30 |
5 |
34 |
920 |
|
800 |
850 |
1010 |
950 |
901 |
24-33 |
5 |
36 |
1100 |
|
900 |
1100 |
1110 |
1050 |
1001 |
28-33 |
5 |
38 |
1300 |
|
1000 |
1200 |
1220 |
1160 |
1112 |
28-36 |
5 |
38 |
1600 |
|
1200 |
1300 |
1450 |
1380 |
1328 |
32-39 |
5 |
44 |
1950 |

查看手机网站