对夹式球阀
产品详情
对夹式球阀适用于Class150、PN1.0~2.5MPa,工作温度 29~180℃(密封圈为增强聚四氟乙烯)或 29~300℃(密封圈为对位聚苯)的管路上,用于截断或接通管路中的介质,选用不同的材质,可分别适用于水、蒸汽、油品、硝酸、醋酸、氧化性介质、尿素等多种介质。
设计和制造标准按照: ASME B16.34;
结构长度按照: ASME B16.10;
法兰端尺寸按照:ASME B16.5;
检验和测试按照: API598;
防火设计测试:API607;
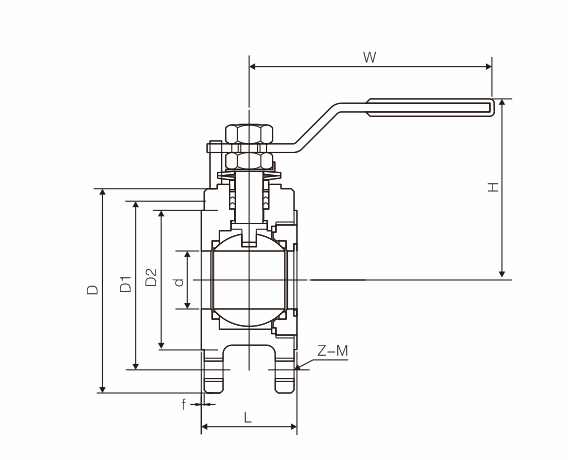
主要外形尺寸
|
DN |
1.6Mpa |
2.5Mpa |
|||||||||||||||
|
d |
L |
D |
D1 |
D2 |
F |
W |
H |
Z-M |
L |
D |
D1 |
D2 |
F |
W |
H |
Z-M |
|
|
15 |
15 |
35 |
95 |
65 |
46 |
2 |
120 |
60 |
4-Φ12 |
35 |
95 |
65 |
46 |
2 |
120 |
65 |
4-Φ12 |
|
20 |
20 |
38 |
105 |
76 |
56 |
2 |
120 |
65 |
4-Φ12 |
38 |
105 |
75 |
56 |
2 |
120 |
71 |
4-Φ12 |
|
25 |
25 |
42 |
115 |
85 |
65 |
2 |
140 |
70 |
4-M12 |
42 |
115 |
85 |
65 |
2 |
140 |
76 |
4-M12 |
|
32 |
32 |
52 |
135 |
100 |
75 |
2 |
170 |
90 |
4-M16 |
52 |
135 |
100 |
75 |
3 |
170 |
98 |
4-M16 |
|
40 |
38 |
62 |
145 |
110 |
85 |
2 |
200 |
95 |
4-M16 |
62 |
145 |
110 |
85 |
3 |
200 |
105 |
4-M16 |
|
50 |
45.5 |
72 |
160 |
125 |
100 |
2 |
240 |
128 |
4-M16 |
72 |
160 |
125 |
100 |
3 |
240 |
128 |
4-M16 |
|
65 |
58 |
96 |
180 |
145 |
120 |
2 |
280 |
135 |
4-M16 |
96 |
180 |
145 |
120 |
3 |
280 |
145 |
8-M16 |
|
80 |
73 |
118 |
195 |
160 |
135 |
3 |
320 |
145 |
8-M16 |
118 |
195 |
160 |
135 |
3 |
320 |
170 |
8-M16 |
|
100 |
93 |
138 |
215 |
180 |
155 |
3 |
400 |
160 |
8-M16 |
138 |
230 |
190 |
160 |
3 |
400 |
185 |
8-M16 |
|
125 |
120 |
200 |
245 |
210 |
185 |
3 |
580 |
177 |
8-M16 |
200 |
270 |
220 |
188 |
3 |
450 |
205 |
8-M16 |
|
150 |
145 |
225 |
280 |
240 |
210 |
3 |
700 |
237 |
8-M20 |
225 |
300 |
250 |
210 |
3 |
500 |
225 |
8-M20 |
|
200 |
198 |
275 |
335 |
295 |
265 |
3 |
700 |
280 |
12-M20 |
275 |
360 |
310 |
278 |
3 |
600 |
240 |
12-M20 |

查看手机网站