Emergency shut-off valve
Technical Specifications
Product model: 900X
Nominal diameter: DN50~1000mm
Nominal pressure: PN1.0~2.5MPa
Applicable temperature: 0°C~85°C
Applicable medium: water
Sales Hotline:
Product Details
Product Description
900X emergency shut-off valve is a valve used to adjust the direction of water supply in a water supply system where fire water and domestic water are connected in parallel. When a fire breaks out, a large amount of water is urgently needed for firefighting. The 900X emergency shut-off valve immediately cuts off the domestic water supply to ensure sufficient firefighting water; when the firefighting stops and the water pressure decreases, the valve automatically opens and is normally open to restore the domestic water supply. The valve eliminates the need to set up a separate special fire-fighting separate water supply pipe network, which greatly saves construction costs and water consumption. The valve control has high sensitivity, safety and reliability, easy debugging and long service life.
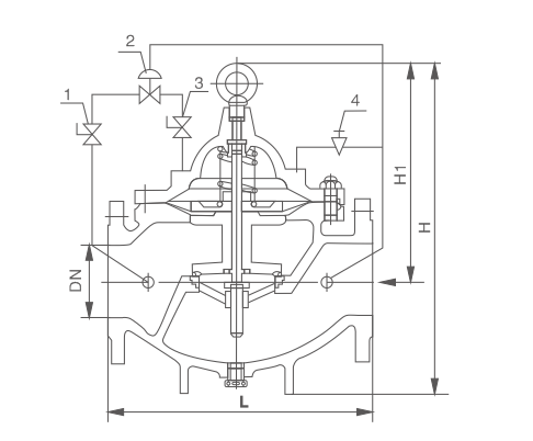
Main External Connection Dimensions
| DN | 20 | 25 | 32 | 40 | 50 | 65 | 80 | 100 | 125 | 150 | 200 | 250 | 300 | 350 | 400 | 450 |
| L | 150 | 160 | 180 | 200 | 203 | 216 | 241 | 292 | 330 | 356 | 495 | 622 | 698 | 787 | 914 | 978 |
| H1 | 247 | 247 | 247 | 278 | 278 | 298 | 313 | 350 | 365 | 420 | 450 | 470 | 490 | 526 | 576 | 570 |
| H | 342 | 342 | 342 | 395 | 395 | 405 | 430 | 510 | 560 | 585 | 675 | 730 | 760 | 840 | 910 | 910 |

Check the mobile website