隔膜式遥控浮球阀
产品详情
产品概述
隔膜式遥控浮球阀安装在水塔、水池的进口端管路上,完成保持水塔、水池液面的规定高度的功能。广泛用于高层建筑、生活区等供水管网系统的水塔、水池等设施的液面高度自动控制。
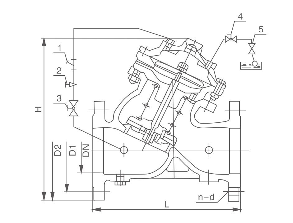
结构示意图
主要外形连接尺寸
| DN | 50 | 65 | 80 | 100 | 125 | 150 | 200 | 250 | 300 | 350 | 400 | 450 | 500 | 600 |
| L | 203 | 216 | 250 | 320 | 365 | 415 | 500 | 605 | 698 | 787 | 914 | 978 | 978 | 1150 |
| H | 293 | 328 | 364 | 418 | 481 | 543 | 673 | 729 | 927 | 957 | 1188 | 1218 | 1256 |
1600 |

查看手机网站