蝶式缓闭止回阀
产品详情
用途
本阀门主要安装于工业、农业、城市、楼宇等行业的给排水系统的泵出口,用以防止介质倒流、消除水锤、保护泵及管路的安全运行。
产品特点
1.结构合理、性能可靠、体积小、结构长度短、重量轻。
2.外挂式阻尼缸缓闭性能优良,不受管道中介质的影响;蝶板先速关后慢关,可防止破坏性水锤的产生;启闭平稳、无震动、无噪音。
3.偏心设计、橡胶密封、密封效果好、耐磨损、使用寿命长。
4.阀门流阻小, 有明显节能效果。
性能规范
|
公称压力 |
1.0 |
2.6 |
MPa |
|
强度试验 |
1.5 |
2.4 |
|
|
密封试验 |
1.1 |
1.76 |
|
|
适用温度 |
≤80 |
°C |
|
|
适用介质 |
水、污水等 |
||

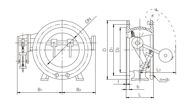
主要外形尺寸
|
DN |
300 |
350 |
400 |
450 |
500 |
600 |
700 |
800 |
900 |
100 |
|
B1 |
600 |
715 |
730 |
750 |
780 |
815 |
865 |
915 |
965 |
1015 |
|
B2 |
250 |
310 |
325 |
350 |
380 |
415 |
495 |
555 |
625 |
725 |
|
Lo |
500 |
500 |
500 |
500 |
500 |
800 |
800 |
800 |
800 |
800 |
|
L |
270 |
290 |
310 |
330 |
350 |
390 |
430 |
470 |
510 |
550 |

查看手机网站