隔膜式电动遥控阀
产品详情
产品概述
隔膜式电动遥控阀安装在各类给水、建筑、石油、化工、治金、排水、食品、电站、核电等领域的管路中,根据电信号或手动操作,使阀门打开或关闭。该阀准确快速的控制反应,关闭速度可调,阀门平稳关闭而不会产生压力波动,采用三向电磁阀,维护简单。
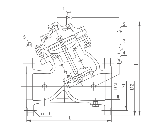
结构示意图
主要外形连接尺寸
| DN | 50 | 65 | 80 | 100 | 125 | 150 | 200 | 250 | 300 | 350 | 400 | 450 | 500 | 600 |
| L | 203 | 216 | 250 | 320 | 365 | 415 | 500 | 605 | 698 | 787 | 914 | 978 | 978 | 1150 |
| H | 320 | 367 | 400 | 452 | 522 | 592 | 696 | 810 | 943 | 1200 | 1230 | 1230 | 1270 | 1600 |

查看手机网站