锻钢截止阀
技术参数
产品型号:J41Y
公称通径:DN15-DN50,1/2"-2"
公称压力:150LB-1500LB
适用介质:水、油、蒸汽等
适用温度:-20℃-550℃
阀体材质:A105、不锈钢
连接方式:法兰连接
销售热线:
产品详情
产品概述
作为截止阀的一种,所有用锻件材料加工而成的闸阀统称为锻钢闸阀,锻件材料有A105、F11、F5、304、304L、3 16、316L等。主要适用于火力电站各种系统的管路上,可用于控制空气、水、蒸汽、各种腐蚀性介质、泥浆、油品、液态金属和放射性介质等各种类型流体的流动。
其主要结构特点有
1、 启闭迅速;
2 、密封面启闭无磨损,使用寿命较长;
3、 结构比较简单,维修性较好。
4 、全开时,密封面受工作介质冲蚀很小;
5 、可选择软密封结构;
6 、可选择Y型阀体结构;
7 、可选择自动密封结构阀盖或焊接阀盖;
8 、可选择动负载式填料;
9、 可选择低泄露填料满足ISO 15848要求;
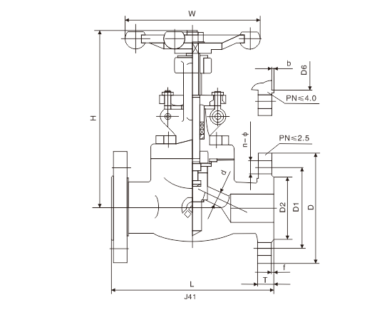
主要外形连接尺寸和重量
| NPS(in) | 1/2" | 3/4" | 1" | 1-1/4" | 1-1/2" | 2" | ||
|
L(RF) L1(BW) |
150Lb | 108 | 117 | 127 | 140 | 165 | 203 | |
| 300Lb | 152 | 178 | 203 | 216 | 229 | 267 | ||
| 600Lb | 165 | 190 | 216 | 229 | 241 | 292 | ||
| H(开) | 150Lb~300Lb | 166 | 171 | 207 | 240 | 258 | 330 | |
| 600Lb | 171 | 207 | 240 | 258 | 330 | 380 | ||
| W | 100 | 100 | 125 | 160 | 160 | 180 | ||
| 重量 (Kg) | 150Lb | RF | 4.5 | 6.9 | 9.8 | 13.5 | 19.5 | 28.0 |
| BW | 2.3 | 3.6 | 7.8 | 8.2 | 12.0 | 15.0 | ||
| 300Lb | RF | 4.8 | 7.7 | 11.0 | 16.8 | 21.2 | 32.6 | |
| BW | 2.8 | 4.0 | 8.5 | 9.2 | 12.6 | 16.8 | ||
| 600Lb | RF | 5.6 | 7.8 | 12.5 | 17.0 | 23.5 | 38.8 | |
| BW | 3.4 | 4.7 | 9.2 | 10.5 | 13.3 | 18.9 | ||

查看手机网站