对夹中线蝶阀(蜗轮)
技术参数
公称压力: PN1.0~1.6MPa
公称通径: DN50~DN1200
连接方式: 对夹
使用介质: 水、油、气及各种腐蚀性介质
适用温度: -10℃~120℃
连接标准: GB·ANSI·DIN·API·ISO·BS
阀体材质: 铸铁;球墨铸铁;碳钢;不锈钢;铝青铜
阀座材质: 橡胶
阀板材料: 不锈钢;铝青铜;球墨铸铁
销售热线:
产品详情
技术标准
1.作为管路中调节或截断介质的设备。2.适用于手柄控制装置(DN50~300),蜗轮蜗杆、电动及气动控制装置。
3.设计与制造标准符合API 609。
4.压力试验符合API 598。
5.结构长度符合API 609。
6.侧法兰标准符合GB/T17241中PN1.0MPa、PN1.6MPa及ASME B16.1 125PSI。
产品特征
1.减小转动力矩,支撑阀杆,并使其与阀体有效分离,减小阀杆的磨损。2.经过抛光处理,与阀座精密配合。
3.实现气密性试验零泄漏要求,启闭力矩小,延长阀座使用寿命。
4.阀杆密封不易变形,从而避免了通常的阀杆泄漏现象。
5.精度高,强度大,适用于手柄及其它控制装置的安装。
6.牢固连接阀杆与阀板,具有防振脱特点,且易于更换。
7.整体性好,便于控制阀板启闭。
8.具有不脱落、抗拉、防泄漏、更换方便等特点。
9.作为管路中调节或截断介质的设备。
10.适用于手柄控制装置(DN50~300),蜗轮蜗杆、电动及气动控制装置。
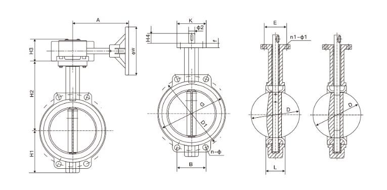
主要外形尺寸及重量(PN1.0/1.6MPa)
| DN(mm) | A | B | L | D1 | H4 | n-Φ | K | E | 4-Φ1 | Φ2 | G | 重量WT(kg) |
| 50 | 140 | 80 | 43 | 125 | 32 | 4-19 | 77 | 57.15 | 4-6.7 | 12.6 | 100 | 3.34 |
| 65 | 152 | 89 | 46 | 145 | 32 | 4-19 | 77 | 57.15 | 4-6.7 | 12.6 | 120 | 3.94 |
| 80 | 159 | 95 | 45.21 | 160 | 32 | 8-19 | 77 | 57.15 | 4-6.7 | 12.6 | 127 | 4.05 |
| 100 | 178 | 114 | 52.07 | 180 | 32 | 8-19 | 92 | 69.85 | 4-10.3 | 15.77 | 156 | 5.48 |
| 125 | 190 | 127 | 55.5 | 210 | 32 | 8-19 | 92 | 69.85 | 4-10.3 | 18.92 | 190 | 7.66 |
| 150 | 203 | 139 | 55.75 | 240 | 32 | 8-23 | 92 | 69.85 | 4-10.3 | 18.92 | 212 | 8.5 |
| 200 | 238 | 175 | 60.58 | 295 | 45 | 8-23 | 115 | 88.9 | 4-14.3 | 22.1 | 268 | 25 |
| 250 | 268 | 203 | 68 | 350 | 45 | 12-23 | 115 | 88.9 | 4-14.3 | 28.45 | 325 | 31.4 |
| 300 | 306 | 242 | 76.9 | 400 | 45 | 12-23 | 140 | 107.95 | 4-14.3 | 31.6 | 403 | 45.9 |
| 350 | 368 | 267 | 76.17 | 460 | 45 | 16-23 | 140 | 107.95 | 4-14.3 | 31.6 | 436 | 54 |

查看手机网站