法兰双偏心蝶阀
技术参数
公称压力: PN0.6~2.5MPa
公称通径: DN100~DN4000
连接方式: 法兰
使用介质: 水、油、气及各种腐蚀性介质
适用温度: -10℃~120℃
连接标准: GB·ANSI·DIN·API·ISO·BS
阀体材质: 铸铁;球墨铸铁;防腐蚀阀体元件,蓝色环氧树脂涂层
阀座材质: 316不锈钢
阀板材料: 不锈钢;球墨铸铁
销售热线:
产品详情
产品特征
1.双偏心结构设计,避免了密封连接面的磨损,维护密封的完整和高使用寿命。2.宽角阀座设计避免了阀座和阀瓣接触过紧的挤压损坏.提供更长的使用寿命。
3.两段式高强度阀杆结构,确保维修方便,双偏心结构使得在线维护阀座和阀瓣变得容易迅速。
4.流线型球面阀瓣,具有很高的流量系数。
5.内部阀杆/阀瓣驱动,避免了销钉或螺栓安装可能产生更多泄漏途径。
6.柔性固定环在阀瓣上提供补偿性阀座密封压力,不仅结构简单重量轻、而且驱动力矩小,操作简便、迅速,具有良好的流量调节功能和关闭密封特性。
7.阀杆密封通过高效PTFE。
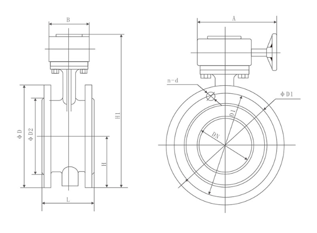
主要外形连接尺寸
|
公称通径 DN |
主要外形尺寸 |
法兰尺寸和螺栓孔尺寸 |
|||||||||||
|
L |
H |
H1 |
A |
B |
1.0MPa |
1.6MPa |
|||||||
|
D |
D1 |
D2 |
n-d |
D |
D1 |
D2 |
n-d |
||||||
|
50 |
108 |
82.5 |
306 |
80 |
80 |
165 |
125 |
99 |
4-18 |
165 |
125 |
99 |
4-18 |
|
65 |
112 |
92.5 |
321 |
80 |
80 |
185 |
145 |
118 |
4-18 |
185 |
145 |
118 |
4-18 |
|
80 |
114 |
100 |
346 |
80 |
80 |
200 |
160 |
132 |
8-18 |
200 |
160 |
132 |
8-18 |
|
100 |
127 |
110 |
387 |
95 |
95 |
220 |
180 |
156 |
8-18 |
220 |
180 |
156 |
8-18 |
|
125 |
140 |
125 |
411 |
95 |
95 |
250 |
210 |
184 |
8-18 |
250 |
210 |
184 |
8-18 |
|
150 |
140 |
142.5 |
447 |
95 |
95 |
285 |
240 |
211 |
8-22 |
285 |
240 |
211 |
8-22 |
|
200 |
152 |
170 |
607 |
190 |
308 |
340 |
295 |
266 |
8-22 |
340 |
295 |
266 |
12-22 |
|
250 |
165 |
192.5 |
688 |
190 |
308 |
395 |
350 |
319 |
12-22 |
405 |
355 |
319 |
12-26 |
|
300 |
178 |
222.5 |
742 |
190 |
308 |
445 |
400 |
370 |
12-22 |
460 |
410 |
370 |
12-26 |
|
350 |
190 |
252.5 |
797 |
190 |
308 |
505 |
460 |
429 |
16-22 |
520 |
470 |
429 |
16-26 |
|
400 |
216 |
282.5 |
930 |
270 |
466 |
565 |
515 |
480 |
16-26 |
580 |
525 |
480 |
16-30 |
|
450 |
222 |
307.5 |
975 |
270 |
466 |
615 |
565 |
530 |
20-26 |
640 |
585 |
548 |
20-30 |
|
500 |
229 |
335 |
1065 |
270 |
466 |
670 |
620 |
582 |
20-26 |
715 |
650 |
609 |
20-33 |
|
600 |
267 |
390 |
1225 |
457 |
625 |
780 |
725 |
682 |
20-30 |
840 |
770 |
720 |
20-36 |
|
700 |
292 |
447.5 |
1343 |
457 |
625 |
895 |
840 |
794 |
24-30 |
910 |
840 |
794 |
24-36 |
|
800 |
318 |
507.5 |
1436 |
457 |
625 |
1015 |
950 |
901 |
24-33 |
1025 |
950 |
901 |
24-39 |
|
900 |
330 |
557.5 |
1616 |
598 |
853 |
1115 |
1050 |
1001 |
28-33 |
1125 |
1050 |
1001 |
28-39 |
|
1000 |
410 |
615 |
1711 |
598 |
853 |
1230 |
1160 |
1112 |
28-36 |
1255 |
1170 |
1112 |
28-42 |
|
1200 |
470 |
727.5 |
1971 |
598 |
853 |
1455 |
1380 |
1328 |
32-39 |
1485 |
1390 |
1328 |
32-48 |
|
1400 |
530 |
837.5 |
2218 |
860 |
1345 |
1675 |
1590 |
1530 |
36-42 |
1685 |
1590 |
1530 |
36-48 |
|
1600 |
600 |
957.5 |
2578 |
860 |
1345 |
1915 |
1820 |
1750 |
40-48 |
1930 |
1820 |
1750 |
40-56 |
|
1800 |
670 |
1057.5 |
2689 |
860 |
1345 |
2115 |
2020 |
1950 |
44-48 |
2130 |
2020 |
1950 |
44-56 |
|
2000 |
760 |
1162.5 |
3022 |
952 |
1592 |
2325 |
2230 |
2150 |
48-48 |
2345 |
2230 |
2150 |
48-62 |

查看手机网站